I found a schematic for a short range (~100 ft) FM radio transmitter a few weeks ago and thought I'd give it a try. Building the circuit is relatively simple and can be built for around $10-15.
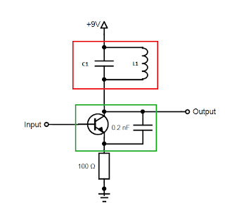
Here is the schematic with all of the components you'll need labelled, with some details below:
C1 and L1 are chosen according to the desired carrier frequency (see below)
For the transistors I used three 2N3904's, although any three NPN transistor should work.
For the antenna, I just used a long wire.
The microphone is an electret microphone. I believe they sell these at RadioShack.
All the other components are straightforward.
Setup
By the looks of it, the circuit works in four stages:
STAGE 1: Getting the audio signal
First, the audio signal to be transmitted needs to be converted to an electrical signal. This is accomplished easily by putting 9V across the electret microphone and resistor in series. The output of this voltage divider is a conversion of our air pressure amplitude wave (sound wave) to voltage amplitude wave, which is what we want.![]() |
| Sound fluctuations are converted into voltage fluctuations. |
More information about how the electret mic can be found here.
STAGE 2: Preamp
The signal is AC coupled by sending the output of stage 1 through the 22nF capacitor and then is sent through what I think is a common-emitter amplifier which just amplifies the signal.STAGE 3: FM Modulation
The next step is to modulate the amplified signal, because the signal we have at this point is too low of frequency to be useful to radio. We need to encode the information of our low frequency signal into a higher frequency signal called a carrier frequency using procedure known as modulation. In radio this is done either with frequency modulation (FM) or amplitude modulation (AM), but this circuit will use frequency modulation. This video does a great job of explaining the basic concepts of FM and AM modulation.
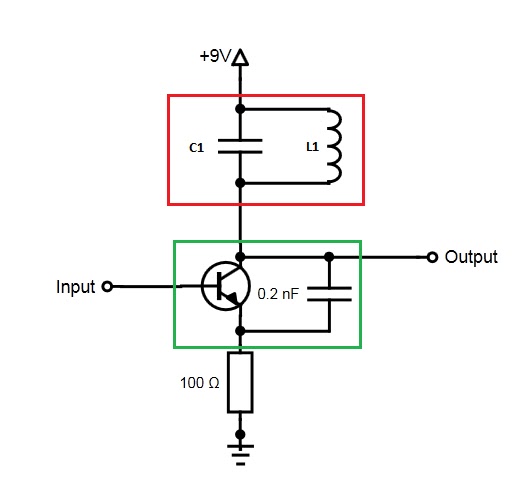
The circuit formed by L1 and C1 in parallel is a tank circuit which creates our carrier frequency. In the schematic, I left these values unspecified because the choice of the carrier is up to you. The circuit resonates at a frequency of
![]() |
| From Wikipedia |
So if you used L1 = 30nH and C1 = 82pF your carrier frequency would be about 100Mhz. If you wanted, you could also replace C1 with a variable capacitor, so you could vary the carrier frequency on the spot. I would be careful into deviating too far from the above values, even if the C to L ratio is right the frequency you want. My thought is that if C is too big(or small) then the modulation may be affected by the relative ratio of C1 to the .2nF capacitor below it, as discussed below.
![]() |
| Red box: Creates carrier frequency Green box: Modulates the carrier frequency |
The carrier, generated by the tank circuit is then modulated by the capacitor connected between the transistor's collector and emitter. By the looks of it, the modulation is caused by the competing impedences of the transistor and the capacitor in parallel.
As the input increases, more current is allowed to flow through the transistor, which shunts the .2nF capacitor, effectively reducing the total capacitance seen by L1 in the tank circuit, causing the carrier frequency to increase slightly (check the equation above). If the input is low, not much current flows through the transistor, so the .2nF adds to the capacitance of the LC circuit thus lowering the frequency of the carrier. This is frequency modulation in action.
STAGE 4: Outputting the modulated signal
After the information from the microphone has been encoded into our carrier signal, all that is left to do is to output the signal to an antenna. In between the modulator and the antenna is (what I'm told) a buffer that shields the L/C tank from disturbance from the antenna.
Assembling
As mentioned above, building this transmitter is very simple. I managed to fit the entire thing on a small prototype board. The design I was following used a 33pF capacitor for C1 and a coiled wire with 4 turns for L1 (just take a wire and coil it around a screwdriver four times). This produced a carrier of 90.7 MHz.
Note: the inductance of the coil is dependent on the geometry of the coil, so you can change the inductance (and consequently the carrier frequency) by bending the coil a bit. If you choose to coil the inductor up yourself, make sure the coil is protected if you want a stable carrier.
Note: the inductance of the coil is dependent on the geometry of the coil, so you can change the inductance (and consequently the carrier frequency) by bending the coil a bit. If you choose to coil the inductor up yourself, make sure the coil is protected if you want a stable carrier.
| |
| Coil used for L1. |
| Completed circuit mounted on a breadboard. |
Implications
Overall the sound quality was decent, though not as clear as the commercial stations. The range was a little underwhelming but I think it could be extended using a longer antenna (I used a 5 inch long wire). On the other hand, not much more range is needed unless you want to break the law.
One cool thing about the prototype board is that it has an adhesive on the back. Assuming you have a place to strap on the 9V battery, you could stick this anywhere.



